直流电机
更新: 11/23/2025 字数: 0 字 时长: 0 分钟
直流电机是一种简单的、两引线的电控设备,带有一个旋转轴,可以在其上安装车轮、齿轮、螺旋桨等。通过反转施加到引线的极性,直流电机可以顺时针或逆时针旋转。直流电机能够快速启动、停止和反转,可以精确控制速度。
准备
硬件
| 硬件 | 说明 | 图片 |
|---|---|---|
| 创意盒平台 | ![]() | |
| H桥直流电机驱动 | 淘宝购买链接 | |
| 直流电机 | 淘宝购买链接,选择12V驱动,并选择合适的转速 | |
| 杜邦线 | 淘宝购买链接,请选择公对母类型 |
软件
| 软件 | 链接 | 说明 |
|---|---|---|
| 测试应用 | 链接 | 官方前端应用,可直接通过控制台加载和使用。 |
连接

| 连接 |
|---|
| ▀ 在平台配置页面设置端子输出12V,将端子的正极连接H桥驱动模块的电源输入正极。 |
| ▀ 端子的负极连接H桥驱动模块的电源输入负极。 |
| ▀ H桥驱动模块输出端连接电机 |
| ▀ H桥驱动模块输出端连接电机 |
| ▀ 平台GND连接H桥驱动模块地 |
| ▀ 平台3.3V连接H桥驱动模块3.3V |
| ▀ H桥驱动模块D0信号连接平台引脚0 |
| ▀ H桥驱动模块D1信号连接平台引脚1 |
提示
该H桥驱动模块可以驱动两台直流电机,该例子仅驱动一台电机。
如果需要驱动第二台直流电机,请连接驱动模块的D2和D3至平台和另外一个驱动输出端至第二台电机。
使用
打开创意盒控制台,选择测试应用类,并加载用户测试应用。输入下面的指令并点击发送按钮,可正向转动电机,反向转动电机,以及停止转动。
根据参考指令,您的二次开发直流电机应用。

输入如下指令正向转动电机:
{
"event":"now",
"actions": [["gpio", 0, "output", 1],["gpio", 1, "output", 0]]
}如下指令反向转动电机:
{
"event":"now",
"actions": [["gpio", 0, "output", 0],["gpio", 1, "output", 1]]
}如下指令停止电机转动:
{
"event":"now",
"actions": [["gpio", 0, "output", 0],["gpio", 1, "output", 0]]
}原理

当一根载流导体置于磁场中时,会产生机械力。这一效果的方向可以通过左手定则确定。通过改变电机绕组中的电流强度或供电电压,我们可以控制载流导体的速度。

类型
直流电机根据转子的供电方式,可以分为有刷或无刷的。在有刷直流电机中,通过刷子向转子施加电流。在无刷直流电机中,转子是一个永磁体。
有刷直流电机
在有刷直流电机中,电机的定子包含转轴和磁场的外壳,转子包含线圈绕组。

电流通过刷子施加,磁场是由流经电刷和与转子连接的换向器的电流产生的。换向器是反转转子与外部电源之间电流的电气开关。

有刷直流电机旋转的时候,刷子和换向器保持持续接触。这种持续接触会导致磨损,因此,有刷直流电机的寿命较短,需要定期维护。此外,刷子和换向器之间的持续接触在电机运行时也会产生电气和声学噪音。
有刷直流电机的控制简单,只需通过一个H桥驱动电路,在两极加上正向或反向的电压即可驱动电机正转或反转。
无刷直流电机
无刷直流电机包括一个磁铁转子和一个有一系列线圈绕组的定子。无刷直流电机不依赖于易损的换向器和刷子,因此具有更长的寿命,也更安静。

无刷直流电机通常有三个线圈,每个线圈都连接有半导体开关。以正确的顺序打开和关闭这些半导体开关会交替电流流动,产生引起电机旋转的旋转磁场。

为了控制各个线圈的转动顺序,无刷直流电机需要一个驱动电路来运行。此外,可以通过磁性传感器(通常是霍尔传感器)来检测永磁体转子的方向,切换半导体开关。

H桥驱动电路
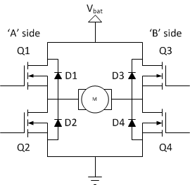
H桥驱动电路是一种电子电路,因其电路拓扑形状类似于英文字母“H”而得名。它的核心功能是控制流经负载(通常是直流电机)的电流方向,从而实现对电机的正转、反转、刹车和停止(滑行) 控制。通过高级控制方法(如PWM),它还能精确控制电机的转速。

H桥驱动电路由4个三极管组成,当Q1和Q4打开,Q2和Q3关闭时,电机(M)的两极施加正向电压。而当Q1和Q4关闭,Q2和Q3打开时,电机(M)的两极施加反向电压。
速度控制
直流电机在特定操作电压(1.5~24V)下可以提供任何处于3000到8000转/分之间的旋转速度。降低电压可以使其减速,提高电压可以加速电机。然而,当施加的电压降至规定操作电压的约50%以下时,电机通常会停止旋转。相反,如果施加的电压超过操作电压约30%,电机可能会过热并受损。
在实践中,直流电机的速度通常通过脉冲宽度调制(PWM)进行最有效的控制,即电机被迅速打开和关闭。所施加脉冲的宽度以及脉冲之间的周期控制着电机的速度。
自由旋转的电机(无负载)吸收较少的电流(功率),而施加负载后,电机内部线圈吸收的电流量会大大增加。制造商通常会为其电机提供所谓的“堵转电流”评级,该评级表示电机对负载能够施加的力量。扭矩评级通常以磅/英尺,克/厘米或盎司/英寸为单位。
Sensor Sparks